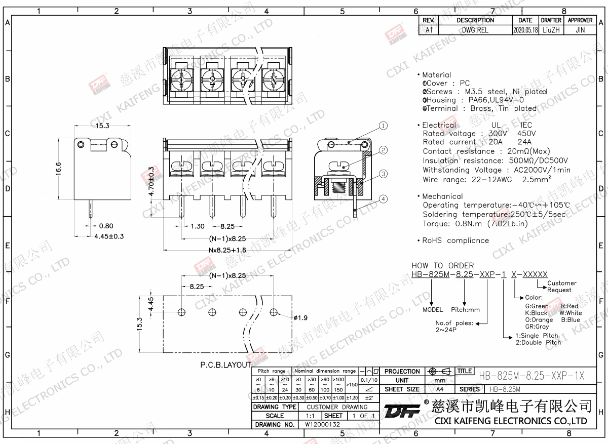
Barrier Terminal Block HB-825M-8.25mm
Material:Screws(Screw):M3.5,Steel,Ni platedSteel,NiPlatedTerminal(Pinheader):Brass,0.7tTin platedBrass,TinplatedHousing(Housing):PA66,UL94V-0·Electrical(Electrical)Rated voltage(RatedVoltage):300VRated current(RatedCurrent):20AInsulation resistance
Line count
- 02P
- 03P
- 04P
- 05P
- 06P
- 07P
- 08P
- 09P
- 10P
- 11P
- 12P
- 13P
- 14P
- 15P
- 16P
- 17P
- 18P
- 19P
- 20P
- 21P
- 22P
- 23P
- 24P