Kaifeng Electron
Kaifeng Electron
凯峰电子
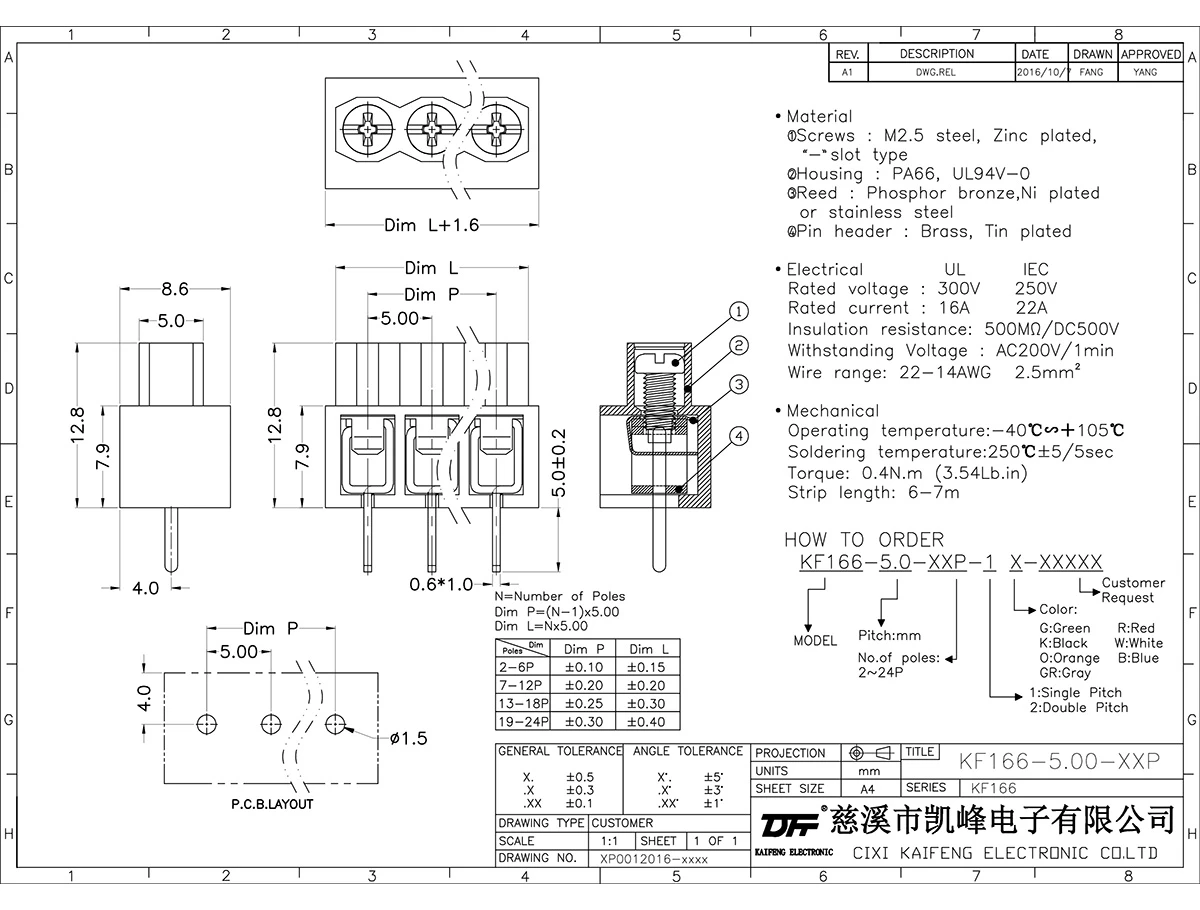
PCB Terminal Block KF166-5.00mm
PCB Terminal Block MATERIAL:①Screws : M2.5 Steel Zinc plated,"-"slot type ②Housing : PA66, UL94V-0 ③Reed : Phosphor bronze Ni plated or stainless steel ④Pin header : Brass, Tin plated
Color
  • Kaifeng Electron
Line count
  • 02P
  • 03P
  • 04P
  • 05P
  • 06P
  • 07P
  • 08P
  • 09P
  • 10P
  • 11P
  • 12P
  • 13P
  • 14P
  • 15P
  • 16P
  • 17P
  • 18P
  • 19P
  • 20P
  • 21P
  • 22P
  • 23P
  • 24P
Product Drawing
Kaifeng Electron
Electrical properties
  • Rated voltage
    300V UL丨 250V lEC
  • Rated current
    15A UL丨 22A lEC
  • Contact resistance
    20mΩ(Max)
  • Insulation resistance
    500MΩ\DC500V
  • Withstanding voltage
    AC2000V\1Min
  • Wire range
    24-14AWG 2.5mm²
Mechanical behavior
  • Temp.rang
    LOW-40℃ 丨TOP+105℃
  • Max.soldering
    +250℃,5sec
  • Torque
    0.4N.m 3.5Lb.in
  • Strip length
    6-7mm
Product packaging
  • Weight
    Xg
  • SPQ
    12pcs
  • Packaging
    Ziploc
  • MOQ
    12pcs
  • Packaging
    Box45cm*28cm*27cm